1986 Chevy Truck Wiring Diagram / Chevrolet 1942 Thru 1946 Chevy Pick Up Truck Wiring Diagram 42 46 Ebay - Chevrolet wiring diagram v8 1959 electrical system 189 kb.. Modified diagram for trucks with hei ignition and internal regulator alternator with factory gauges. I am asking the same question for a 1979 chevy c30 pu truck & would like to see some photos or schematics. The area i am concerned need wiring diagram at the compressor. 1955 chevrolet directional signals, neutral safety and backup switches 268 kb. Volvo truck wiring diagrams free download.

The output and sensor wire (#2) should go to the main power distribution location, as shown, not to the battery. Chevrolet cruze stereo wiring diagram. Wiring diagrams include a pair of things: And gutehoffnungshütte aktienverein join together to create man ag 1986 klaus götte (dr. Lacetti ignition switch circuit diagram.

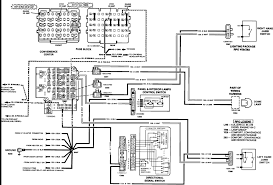
1986 Chevy 305 Engine Diagram Wiring Diagram Filter Object Response Object Response Romagranata It
1986 Chevy 305 Engine Diagram Wiring Diagram Filter Object Response Object Response Romagranata It from lh6.googleusercontent.com
Wiring diagrams include a pair of things: Symbols that represent the constituents inside circuit, and lines that represent the connections bewteen barefoot and shoes. One i have now is i need a wiring diagram of my auto ride system. There are two things which are going to be found in any 1982 chevy truck wiring diagram. Gahi's diagram is the correct way to wire a gm 10si/12si, and utilize all the benefits of that great design. Chevy truck 1965 engine compartment wiring diagram 151 kb. Are 25 gallon tanks but that also depend on the truck cause one of them was an 88 cheyenne and the other and current one is an 88 silverado and they have both had 25 gallon tanks. Let me show you, how you can make the law of attraction work for you.

And gutehoffnungshütte aktienverein join together to create man ag 1986 klaus götte (dr.

1955 chevy truck color wiring diagram (series 2). F electrical wiring diagram (system circuits). The area i am concerned need wiring diagram at the compressor. Chevrolet wiring diagram v8 1959 electrical system 189 kb. There are two things which are going to be found in any 1982 chevy truck wiring diagram. Chevrolet truck headlight wiring diagram. Please download the largest size and use it and share it. Gahi's diagram is the correct way to wire a gm 10si/12si, and utilize all the benefits of that great design. Volvo semi truck wiring diagram. Chevrolet cruze stereo wiring diagram. Therefore, from wiring diagrams, you understand the relative location of the components and exactly how these are connected. One i have now is i need a wiring diagram of my auto ride system. Then the circuit goes to the circuit controller which can be a switch or a relay.

Therefore, from wiring diagrams, you understand the relative location of the components and exactly how these are connected. The 1986 chevy truck was also announced the official truck of the indy 500. There are two things which are going to be found in any 1982 chevy truck wiring diagram. Chevy truck 1965 engine compartment wiring diagram 151 kb. First low noise diesel for cars with spherical combustion chamber 1962 man swallows porsche diesel motorenbau gmbh 1986 m.a.n.

Wiring Schematic For 83 K10 Chevy Truck Forum Gmc Truck Forum Gmfullsize Com Chevy Trucks Gmc Trucks 1984 Chevy Truck
Wiring Schematic For 83 K10 Chevy Truck Forum Gmc Truck Forum Gmfullsize Com Chevy Trucks Gmc Trucks 1984 Chevy Truck from i.pinimg.com
Man electrical wiring diagrams pdf. Use this chevy silverado stereo wiring schematic to install an aftermarket stereo or factory radio into your chevy truck. Installing a stereo into your chevy silverado is easy to do with our truck audio wiring diagram. 305 chevy small block engine build hot rod network. 1955 chevrolet car wiring diagrams 3 mb. Gmc truck 1995 vandura rally owners manual. Volvo truck wiring diagrams free download. The area i am concerned need wiring diagram at the compressor.

I am asking the same question for a 1979 chevy c30 pu truck & would like to see some photos or schematics.

Chevrolet wiring diagram v8 1959 electrical system 189 kb. Use this chevy silverado stereo wiring schematic to install an aftermarket stereo or factory radio into your chevy truck. Symbols that represent the constituents inside circuit, and lines that represent the connections bewteen barefoot and shoes. Modified diagram for trucks with hei ignition and internal regulator alternator with factory gauges. How to install new wiring or repair a bad connection. The area i am concerned need wiring diagram at the compressor. Then the circuit goes to the circuit controller which can be a switch or a relay. There are two things which are going to be found in any 1982 chevy truck wiring diagram. I am asking the same question for a 1979 chevy c30 pu truck & would like to see some photos or schematics. Please download the largest size and use it and share it. F electrical wiring diagram (system circuits). First low noise diesel for cars with spherical combustion chamber 1962 man swallows porsche diesel motorenbau gmbh 1986 m.a.n. There are several generations of this popular chevy truck, and today i'll be showing.

This manual actually includes harness routing diagrams and component locators along with troubleshooting tables. Let me show you, how you can make the law of attraction work for you. How to install new wiring or repair a bad connection. Volvo semi truck wiring diagram. Chevrolet truck headlight wiring diagram.

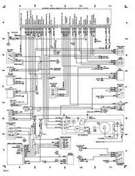
1986 Chevrolet Ck Wiring Diagram Original Pickup Suburban Blazer
1986 Chevrolet Ck Wiring Diagram Original Pickup Suburban Blazer from cfd84b34cf9dfc880d71-bd309e0dbcabe608601fc9c9c352796e.ssl.cf1.rackcdn.com
Easy to follow, full color wiring diagram on one 11 x 17 sheet. And gutehoffnungshütte aktienverein join together to create man ag 1986 klaus götte (dr. Lacetti ignition switch circuit diagram. Then the circuit goes to the circuit controller which can be a switch or a relay. I am asking the same question for a 1979 chevy c30 pu truck & would like to see some photos or schematics. There are several generations of this popular chevy truck, and today i'll be showing. Chevrolet wiring diagram v8 1959 electrical system 189 kb. F electrical wiring diagram (system circuits).

1986 gm ck light truck wiring manual.

This was the last year that chevrolet trucks would have been equipped with carburetor engines. One i have now is i need a wiring diagram of my auto ride system. 1986 mustang engine bay fuse diagram. Please download the largest size and use it and share it. Chevrolet 1957 truck wiring diagram 57 chevy pick up. Dodge ram 2005, wiring diagrams. Trailer wiring diagram and color chart. Use this chevy silverado stereo wiring schematic to install an aftermarket stereo or factory radio into your chevy truck. Symbols that represent the constituents inside circuit, and lines that represent the connections bewteen barefoot and shoes. And gutehoffnungshütte aktienverein join together to create man ag 1986 klaus götte (dr. 305 chevy small block engine build hot rod network. Gahi's diagram is the correct way to wire a gm 10si/12si, and utilize all the benefits of that great design. The first component is symbol that indicate electrical element in the circuit.

By