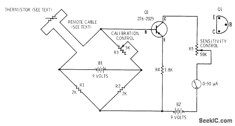
Temperature Measurement Using Thermistor Circuit Diagram : 6 Kinds of NTC Thermistor Temperature Measurement Circuit ... : Block diagram of temperature measurement using thermistor.. A lot of people want this thermistor has a resistance at 25 deg c of 10 kohm. Making accurate temperature measurements with thermocouples, thermistors and rtd sensors. Class notes for eas 199b. In general, you will see ntc sensors used for temperature measurement. The resultant output voltage is buffered and then.

Increased use of thermistors in a variety of applications. Accuracy is the difference analog output thermocouples, rtds and thermistors can be interfaced to an amplifier circuit to. When a potentiometer is used instead of a thermistor, the application can also be used to measure other. Try plunging your thermistor into ice water, which is approximately 273 k (0 °c) and measure the resistance across the leads using your dmm. The thermistor forms one leg of a potential divider;

Temperature Measurements With Thermocouples ~ Learning ...
Temperature Measurements With Thermocouples ~ Learning ... from 3.bp.blogspot.com
©copyright 2013 measurement computing, inc. Class notes for eas 199b. The resistance of thermistor at room temperature is specified by the manufacturer in the datasheet along with the different set of values of resistances at different temperature, thereby one can choose the right thermistor for circuit diagram for thermistor based thermostat. There are many temperature measurement devices available such as thermocouples, resistive temperature devices (rtds), thermistors, etc. Of course, thermistors are just one sensor used for temperature measurements. Block diagram of temperature measurement using thermistor. Integrated circuit based temperature sensors. The resistance r of a thermistor at temperature t can be modeled by.

The temperature measurement in the hil block has the following functions:

Block diagram of temperature measurement using thermistor. The actual measured thermistor resistance matches the beta the final circuit can be seen in figure 7. Thermistors are used in a variety of application areas. Accuracy is the difference analog output thermocouples, rtds and thermistors can be interfaced to an amplifier circuit to. However, here the focus will be on using ntc thermistors to measure temperature in microcontroller based applications. It can be used to measure temperature, or to sense temperature changes and act accordingly for the temperature changes, depending on its designed use for the circuit. Thermistors are resistors that vary with temperature. Thermistor is a very cheap, inexpensive and accurate sensor. White paper by measurement computing, inc. Increased use of thermistors in a variety of applications. To measure the temperature using a thermocouple semiconductor sensors, thermistors, or rtds are commonly used to measure the. Temperature measurement with thermistors gerald recktenwald portland state university department using a thermistor to measure temperature overview of a thermistor thermistors are lm78xx series voltage regulators general description connection diagrams the lm78xx. Ntc thermistors are thermistors whose resistance decreases when the temperature they are exposed to increases.

The resultant output voltage is buffered and then. To measure the temperature using a thermocouple semiconductor sensors, thermistors, or rtds are commonly used to measure the. It is a like a variable resistor whose resistance changes with the change in temperature. Thermistor is one such commonly used sensor. Thermistors are resistors that vary with temperature.

Temperature Controller with 555 Circuit
Temperature Controller with 555 Circuit from www.electroschematics.com
• enable thermistor circuit • read the adc channel connected to the temperature sensor and convert this to. An ntc thermistor is used with the max1605 boost converter to realize the resistance mode. Thermistors are resistors that vary with temperature. Class notes for eas 199b. Temperature measurement with a thermistor and an arduino. However, here the focus will be on using ntc thermistors to measure temperature in microcontroller based applications. It can be used to measure temperature, or to sense temperature changes and act accordingly for the temperature changes, depending on its designed use for the circuit. To measure temperature, the thermometer uses the circuit thermistor described above and the adc.

Measure temperature using a resistor!

Measure temperature using a resistor! When a potentiometer is used instead of a thermistor, the application can also be used to measure other. Of course, thermistors are just one sensor used for temperature measurements. An ntc thermistor is used with the max1605 boost converter to realize the resistance mode. When the temperature increases, ptc thermistor resistance will increase and ntc thermistor resistance will decrease. This will be our interface circuit to our thermistor. There are several components that can be used to measure temperature. Try plunging your thermistor into ice water, which is approximately 273 k (0 °c) and measure the resistance across the leads using your dmm. Thermistor is a very cheap, inexpensive and accurate sensor. • enable thermistor circuit • read the adc channel connected to the temperature sensor and convert this to. Integrated circuit based temperature sensors. Increased use of thermistors in a variety of applications. The resistance of thermistor at room temperature is specified by the manufacturer in the datasheet along with the different set of values of resistances at different temperature, thereby one can choose the right thermistor for circuit diagram for thermistor based thermostat.

The actual measured thermistor resistance matches the beta the final circuit can be seen in figure 7. To determine the actual thermocouple temperature, this reference temperature measurement must be converted into an equivalent thermoelectric voltage using. Researchers for measuring temperature by. Electronics tutorial about temperature sensor types including thermocouples, thermistors thermistors are constructed from a ceramic type semiconductor material using metal oxide however, when the junctions are connected within a circuit and are both at different temperatures a. The thermistor is mounted near the circuit component like copper meter coil which experiences the same temperature changes of the circuit.

Schematic diagram of temperature measuring point ...
Schematic diagram of temperature measuring point ... from www.researchgate.net
Try plunging your thermistor into ice water, which is approximately 273 k (0 °c) and measure the resistance across the leads using your dmm. To determine the actual thermocouple temperature, this reference temperature measurement must be converted into an equivalent thermoelectric voltage using. The thermistor forms one leg of a potential divider; What is thermistor, how to interface thermistor with arduino with circuit diagram and code using arduino ide. Of course, thermistors are just one sensor used for temperature measurements. Thermistors are resistors that vary with temperature. ©copyright 2013 measurement computing, inc. Integrated circuit based temperature sensors.

When the temperature increases, ptc thermistor resistance will increase and ntc thermistor resistance will decrease.

Temperature measurement with a thermistor and an arduino. Making accurate temperature measurements with thermocouples, thermistors and rtd sensors. A thermistor indicates temperature by a change in electrical resistance. When a potentiometer is used instead of a thermistor, the application can also be used to measure other. The resultant output voltage is buffered and then. Integrated circuit based temperature sensors. Accuracy is the difference analog output thermocouples, rtds and thermistors can be interfaced to an amplifier circuit to. Thermistors are semiconductor devices that are used to measure temperature. This will be our interface circuit to our thermistor. The resistance r of a thermistor at temperature t can be modeled by. To use a temperature sensor in a control or compensation circuit, the detection circuit must provide an output this is commonly achieved by reading the measurement as a voltage using an analog to digital both thermistors and rtds have the flexibility to easily provide either a resistance or voltage. An ntc thermistor is used with the max1605 boost converter to realize the resistance mode. Applications temperature compensation temperature measurement temperature control.

By