2005 Chevy Silverado Wiring Diagram : A19caf5 2005 Chevrolet Silverado Wiring Diagram Wiring Library / Collection of 2005 chevy silverado radio wiring harness diagram.. Make sure that they are installed correctly, using the diagram on the inside of the battery. If you want to troubleshoot a headlight problem in your chevrolet siverado, you'll need this headlight wiring diagram. Set your 2005 chevy silverado apart from the rest. Installing a stereo into your chevy silverado is easy to do with our truck audio wiring diagram. File shares and interchange ebooks, manuals, and other digital literature.

What year are the diagrams? A wiring diagram is a simplified conventional pictorial depiction of an electrical circuit. Installing a stereo into your chevy silverado is easy to do with our truck audio wiring diagram. The output and sensor wire (#2) should go to the main power distribution location, as shown, not to the battery. But, with just a little more than an hour's worth of troubleshooting, the technicians at flynn's diagnosed the real problem:

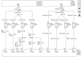
2005 Chevy Trailer Wiring Diagram Wiring Diagram Wet Pride Wet Pride Lastanzadeltempo It
2005 Chevy Trailer Wiring Diagram Wiring Diagram Wet Pride Wet Pride Lastanzadeltempo It from ww2.justanswer.com
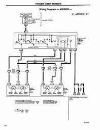
Gahi's diagram is the correct way to wire a gm 10si/12si, and utilize all the benefits of that great design. Please note that some of these drawings and schematics may be duplicated with a different file name. Underhood colling fan fuse block. Chevrolet wiring diagram v8 1959 electrical system 189 kb. Chevy truck 1965 engine compartment wiring diagram 151 kb. Does anyone have a copy of a wiring diagram for a 2005 silverado? Set your 2005 chevy silverado apart from the rest. Wiring diagram or color code for 2005 chevrolet silverado for the side mirrors.

There are many types of circuit and wiring diagrams some are very easy to build and some are very complicated, some are so small and some contain huge list of parts.

Wiring diagram or color code for 2005 chevrolet silverado for the side mirrors. I have a 2005 chevy silverado 2500hd ext cab 4x4 long box. Chevy truck forum | silverado sierra gmc truck forums. Dodge ram 2005, wiring diagrams. Chevrolet silverado 1500, chevrolet silverado 2500. Download silverado truck related documentation and digital goods for free. Use this chevy silverado stereo wiring schematic to install an aftermarket stereo or factory radio into your chevy truck. The electrical symbols not just show where something is to be mounted, however also just what kind of tool is being. File shares and interchange ebooks, manuals, and other digital literature. 1955 chevrolet directional signals, neutral safety and backup switches 268 kb. 2005 chevy truck silverado fuel system parts and components consists of: Body wiring provisions, trailer wiring. What is the procedure for replacing the outside mirrors on a 2005 chevy silverado 2500 hd?

Need the wiring diagram for a 1999 silverado pickup drivers door that has pw, pl, p seats, heated seats, heated. Chevrolet silverado 1500, chevrolet silverado 2500. Collection of 2005 chevy silverado radio wiring harness diagram. There are many types of circuit and wiring diagrams some are very easy to build and some are very complicated, some are so small and some contain huge list of parts. 18+ chevy truck engine diagram1973 chevy truck engine wiring diagram, 1984 chevy truck engine wiring diagram discover best chevy silverado wiring diagram images and ideas on bing.

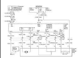
05 Silverado Wiring Diagram Colors John Deere 4630 Wiring Diagram Wiring Diagram Schematics
05 Silverado Wiring Diagram Colors John Deere 4630 Wiring Diagram Wiring Diagram Schematics from ww2.justanswer.com
2005 chevy truck silverado fuel system parts and components consists of: File shares and interchange ebooks, manuals, and other digital literature. 18+ chevy truck engine diagram1973 chevy truck engine wiring diagram, 1984 chevy truck engine wiring diagram discover best chevy silverado wiring diagram images and ideas on bing. 1955 chevrolet car wiring diagrams 3 mb. Chevrolet silverado 1500, chevrolet silverado 2500. Gahi's diagram is the correct way to wire a gm 10si/12si, and utilize all the benefits of that great design. Set your 2005 chevy silverado apart from the rest. There are many types of circuit and wiring diagrams some are very easy to build and some are very complicated, some are so small and some contain huge list of parts.

How to flush the coolant antifreeze in a 2005 chevrolet silverado 1500 lt 4.3l v6 extended cab pickup.

Set your 2005 chevy silverado apart from the rest. How to flush the coolant antifreeze in a 2005 chevrolet silverado 1500 lt 4.3l v6 extended cab pickup. I have a 2005 chevy silverado 2500hd ext cab 4x4 long box. Wiring layouts utilize typical signs for wiring tools, usually different from those utilized on schematic diagrams. 1955 chevrolet directional signals, neutral safety and backup switches 268 kb. Dodge ram 2005, wiring diagrams. Here's the headlight wiring diagram for a chevrolet silverado with drl. 2005 gmc sierra trailer wiring diagram fuse box schemes brake wiper. Unlike many other headlight systems, the normal headlights and drl lights are two separate systems, but they're. Transfer sierra truck data from our server to your computer system. File shares and interchange ebooks, manuals, and other digital literature. Wiring diagrams, spare parts catalogue, fault codes free download. Chevrolet wiring diagram v8 1959 electrical system 189 kb.

But, with just a little more than an hour's worth of troubleshooting, the technicians at flynn's diagnosed the real problem: Automotive wiring in a 2005 chevrolet silverado c1500 vehicles are becoming increasing more difficult to identify due to the installation of more feel free to use any chevrolet silverado c1500 car stereo wiring diagram that is listed on modified life but keep in mind that all information here is. Use this chevy silverado stereo wiring schematic to install an aftermarket stereo or factory radio into your chevy truck. And would like to share them, please send to chevymanuals@yahoo.com. Set your 2005 chevy silverado apart from the rest.

Diagram Re Wiring Harness Diagram 2005 Silverado Full Version Hd Quality 2005 Silverado Diagramsimasj Laserdrone It
Diagram Re Wiring Harness Diagram 2005 Silverado Full Version Hd Quality 2005 Silverado Diagramsimasj Laserdrone It from annawiringdiagram.com
The electrical symbols not just show where something is to be mounted, however also just what kind of tool is being. 2005 chevrolet silverado 1500 owner's manual. It reveals the components of the circuit as simplified forms, and the power as well as signal links in between the devices. Wiring diagram or color code for 2005 chevrolet silverado for the side mirrors. Collection of 2005 chevy silverado radio wiring harness diagram. The #2 wire ensures the 14.4 or so output is fed to the entire system, eliminating. There are several generations of this popular chevy truck, and today i'll be showing. Chevy truck forum | silverado sierra gmc truck forums.

Wiring layouts utilize typical signs for wiring tools, usually different from those utilized on schematic diagrams.

These diagrams are easier to read once they are printed. 70 kb file type : I need the 2001 schematic for a silverado 1500 :c all the ones i have found so far. When the switch wiring is connected to an auxiliary roof mounted lamp, pressing the switch will activate the lamp and illuminate an indicator light near the switch. Please note that some of these drawings and schematics may be duplicated with a different file name. Collection of 2005 chevy silverado radio wiring harness diagram. 2005 chevrolet silverado 1500 owner's manual. Dodge ram 2005, wiring diagrams. Chevrolet silverado 1500, chevrolet silverado 2500. 1955 chevrolet car wiring diagrams 3 mb. 2005 chevy truck silverado fuel system parts and components consists of: Set your 2005 chevy silverado apart from the rest. Fuse box in passenger compartment.

By